這種片式熱交換器的性能無比優越,贏得了國內外用戶的高度評價,是具有豐富經驗和眾多成果的王牌產品。
本產品用途很廣,凡屬牛奶、啤酒、果汁及合成酒等液體幾乎都可以用它來進行換熱、殺菌和冷卻。
本產品結構簡單。由于每到工序均在密閉回路中進行,因此能夠在高溫、高速、連續和極其衛生的條件下加以使用而獲得很高的經濟效益,這事其它方法無論如何也達不到的。
特點:
● 沖壓溝汶很深的換熱片極大地促進了湍流,從而大幅度地提高了整體熱傳導系數。
● 每道工序是在密閉狀態下連續地進行的,故不必擔心空氣或細菌的污染。
● 欲增加處理能力和功能,只須增加換熱片片數,非常簡單。
● 安裝面積很小,較之通常方法,可節約50%左右。
● 沒有驅動部分,所以幾乎不會發生磨損和故障。
● 換熱片的原材料采用了經嚴格挑選的不銹鋼薄板。經過熱處理、表面精加工和電解拋光的換熱片具有很高的耐腐蝕性。密封墊圈和附件的結構及加工完全符合衛生要求,保證了充分的循環洗滌和殺菌效果。
● 若同時并用控制器和自動閥,則可以很容易地實現自動化。
新型堅固緊湊機架:每一個零件的設計都非常實用
AERO的機架是一種堅固、簡單合乎衛生的構件,它不需要特殊的基礎底面,對于任何不平整的地板可以調整機架腿來進行補償
AERO多段片式PHE
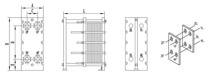
規格尺寸
|
型號 |
AE10 |
AE20 |
EM25 |
AE25 |
AE55 |
AE30 |
AE50 |
AE60 |
|
A(mm) |
346 |
353 |
406 |
480 |
460 |
605 |
605 |
615 |
|
B(mm) |
950 |
1115 |
1180 |
1109 |
1794 |
1205 |
1522 |
1902 |
|
C(mm) |
140 |
150 |
203 |
223 |
223 |
285 |
285 |
285 |
|
D(mm) |
656 |
800 |
860 |
719 |
1338 |
700 |
1020 |
1340 |
|
E(mm) |
160 |
170 |
188 |
215 |
231 |
300 |
300 |
300 |
|
L(mm) |
1085 |
1085 |
1250 |
1600 |
1800 |
2222 |
2222 |
2522 |
|
接口 |
50 |
65 |
65 |
100 |
100 |
150 |
150 |
150 |
|
板片材質 |
厚度范圍(mm) |
適合流體 |
|
304 不銹鋼 |
0.5-0.8 |
凈水、河川水、食用油、礦物油 |
|
316L不銹鋼 |
|
Ti鈦 |
0.6 |
海水、鹽水、鹽化物 |
|
墊片材質 |
溫度范圍(℃) |
適用流體 |
|
NBR 丁腈食品橡膠 |
Min.(-15)/max.110 |
水、海水、礦物油、鹽水 |
|
EPDM三元乙丙食品橡膠 |
Min.(-25)/max.150 |
熱水、水蒸氣、酸、堿 |
